Häfele 407.90.703 Vyrovn. kov. Planofit, pre dvere do 2650 mm, biele(407.90.709:2+407.90.771:2bal)

Objednávací kód: D01/HE-407.90.703
Farba Biela
Merná jednotka sada
Popis

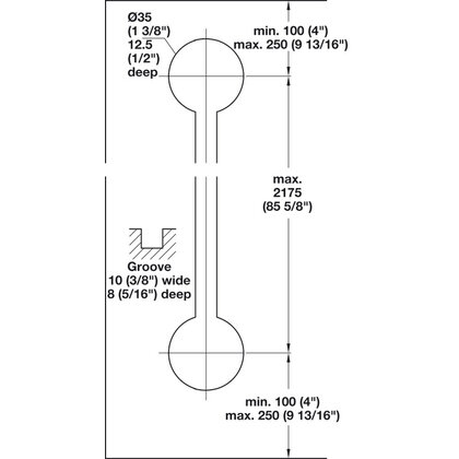
Pre posuvné dvere, čierne, výška dverí ≤2650 mm, veľkosť A: ≤2175 mm
Pre každé dverné krídlo sa odporúčajú 2 vyrovnávacie kovanie. Nie je vhodné pre tvrdé drevo!
Pri používaní tohto produktu v kombinácii s lakovanými panelmi sa môže prejaviť na čele stopa po frézovanie zapustenie.

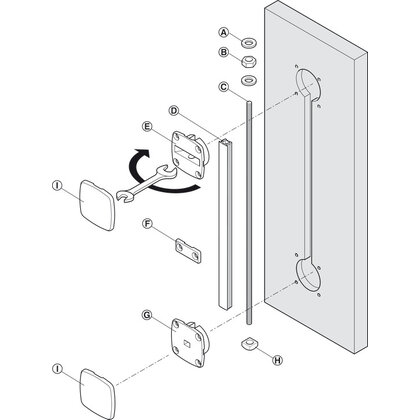
Obsah balenia:
1 sada obsahuje 2 ks vyrovnávacieho kovanie vrátane všetkých individuálnych súčastí.


Dokumenty
Kontaktný formulár

Kontaktný formulár